Fire Pre-Plan Templates

Create fire pre-plans with templates from SmartDraw. Great for fire departments and organizations preparing emergency response plans.

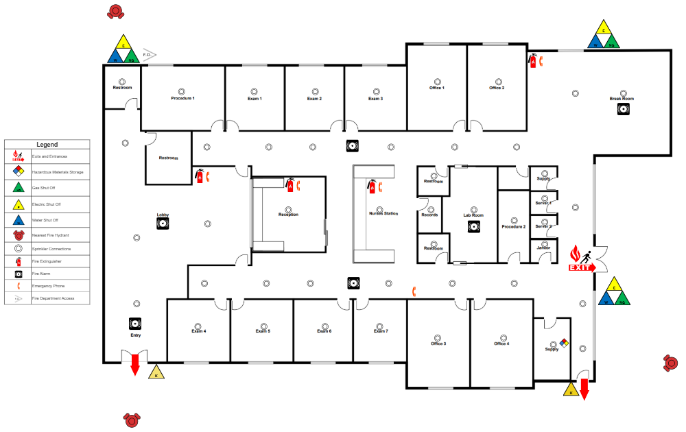
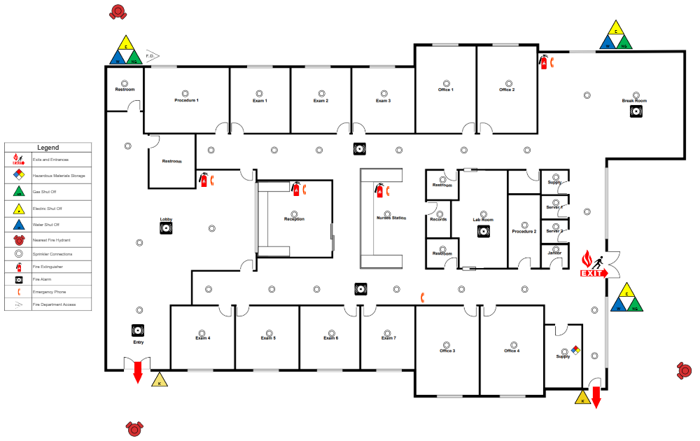
Fire Preplan Emergency Diagram

This fire pre-plan diagram shows the interior layout of a medical office with marked exits, fire extinguishers, alarms, hydrants, and utility shutoffs. It can be used by first responders to quickly navigate the building, find the nearest fire hydrants, shut off gas, electric, and water as needed, locate hazards, and access emergency equipment during an incident.

By continuing to use the website, you consent to the use of cookies.   Read More