Standardize Fire Pre-Plans with Modern Tools

SmartDraw gives fire departments an easy, standardized way to create detailed fire pre-plans without CAD complexity. Standardize, simplify, and improve readiness.

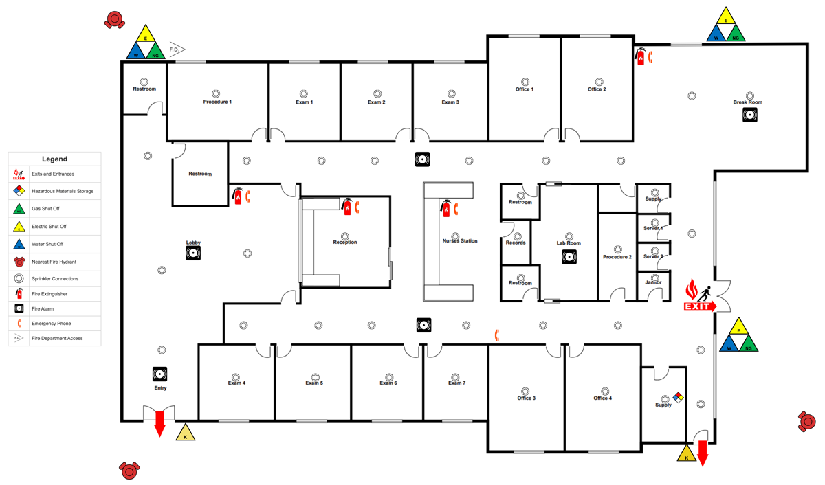
Arrangement of fire pre-planning templates

See Why Public Safety and Construction Teams Trust SmartDraw

Contact Us

"Before SmartDraw, our reports were created in a mix of Word, PowerPoint, Visio, and paper, leading to inconsistent formats and extra work. SmartDraw gave us a single, standardized platform for accident and incident documentation, making our reports clearer, more consistent, and easier to manage."

Michael Johnson
Battalion Chief, Loudoun Fire and Rescue

"Our design and construction company oversees custom home builds and remodels from initial design to completion. SmartDraw provided an affordable, user-friendly, and efficient tool for making rapid adjustments to floor plans without relying on architects or designers for every minor change. The fast setup and intuitive tools really helped us streamline our workflow."

Jake Goodew
Project Manager, Arete Construction

"The Crime Scene Unit sought to upgrade its diagramming software to enhance the quality of crime scene sketches used as discoverable documents in criminal investigations. After evaluating available options, we determined that SmartDraw best met our needs due to its ability to produce detailed, forensically accurate diagrams that integrate seamlessly with existing scene documentation tools, including photographs and 3D imaging."

Massi A. Martin, DPA
Commanding Officer, Office of Forensic Science, Crime Scene Unit, Philadelphia Police Department

"For pre-incident plans, we're able to create clear, easy-to-follow diagrams with directions and annotations that our firefighters can quickly understand on scene. For investigations, the software lets us produce accurate, professional drawings that support incident reconstruction. Overall, we've been very pleased with SmartDraw and plan to continue using it as part of our daily operations."

Read the full case study.
Jonathan Shim
Captain, Office of the Fire Marshal, Howard County Department of Fire Rescue Services

"SMCFD needed a user-friendly way to create pre-fire plans. SmartDraw allows us to import a PDF and mark it up for utility shutoffs and access points quickly and easily."

Matthew Adelman
Battalion Chief Preparedness, South Montgomery County Fire Department

"As our design services grew, pen and paper simply couldn't keep up. SmartDraw gave us the modern tools we needed for creating space plans and floor plans. It's proven to be a great tool for our sellers to quickly provide customers with feedback on dimensions and fit."

Aaron Schulz
Director of Inside Sales Channels & Sales Operations, National Business Furniture

"SmartDraw has all the tools we need to create site and venue maps for our events. We can import a satellite view of an area and overlay our event layout as a scaled drawing. Not only is SmartDraw intuitive, but their support is excellent."

Emily Rivera
Director, Vendor of Production Services, National MS Society

Click the link below to see all customer success stories.

Trusted by Millions of Users

SmartDraw is easy to do business with according to G2 SmartDraw has best roi according to G2 SmartDraw is easy to setup with according to G2 SmartDraw is ranked top 50 in CAD Users love SmartDraw on G2 SmartDraw is a leader according to G2 SmartDraw is easy to implement according to G2 SmartDraw has best in class support according to G2 SmartDraw is a easy to admin according to G2
SmartDraw reviews sourced by G2

Easily Prepare Professional and Standardized Fire Pre-Plans

Get SmartDraw to create detailed fire pre-plans without CAD complexity.