City WaterSewageHot WaterCold WaterWH

Plumbing Drawing Software

Create plumbing designs, schematics, and diagrams easily

The Easy Choice for Plumbing Design Software

Easy to Use

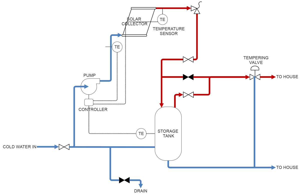
Whether you're designing a new plumbing system or documenting an existing layout, SmartDraw makes it easy to create professional plumbing drawings. Draw pipes and drag and drop industry-standard symbols to complete your design.

Drag plumbing symbols into work area

Easy to Import Existing Plans

Already have a floor plan or existing blueprint? You can import a PDF or image into SmartDraw and scale it. Use any existing plan as a foundation and layer your own design on top. Save time by not recreating existing layouts from scratch.

Import existing floor plan into SmartDraw

Manage Complexity Easily with Layers

Layers let you separate your drawing into distinct views and focus on the system you're working on. You can create a floor plan and then manage your plumbing layout, electrical plan, and HVAC information separately and make edits without affecting other parts of your plan. Use a scale-independent annotation layer to keep track of information like the drawing's author and other settings.

Manage complexity with dinstinct layers

Easy to Work With Other Apps

SmartDraw is easy to work with no matter what other apps you use. You can add plumbing drawings to:

  • Microsoft Office®
    • Word®
    • PowerPoint®
    • Excel®
  • Microsoft Teams®
  • Google Workspace
    • Google Docs
    • Google Slides
    • Google Sheets
  • Atlassian apps
    • Confluence
    • Jira

Easy to Save to Your Existing Storage Solution

  • SharePoint®
  • OneDrive®
  • Google Drive
  • Dropbox®
  • Box®

Easy to Share

Share your plumbing design with anyone, even if they don't own a copy of SmartDraw, with a link. You can also easily export any diagram as a PDF or common image formats like PNG or SVG.

Easy to Share

Easy to Get Help

Have a question? Chat or email us. SmartDraw support is in-house and free!

Easy to Get Help

Easy Collaboration

SmartDraw makes it easy to work with a team on any plumbing drawing or design.

You can work on the same plumbing layout in real time. Your team or client can easily share comments and feedback.

SmartDraw also works where you already communicate with your team. You can collaborate on plumbing drawings in Microsoft Teams®, Slack, or Confluence.

Collaborate on plumbing drawings

Our Plumbing Drawing Software Features

  • Plumbing drawing templates
  • Industry standard plumbing symbols
  • Reichard symbols from HMI/SCADA manufacturers
  • Import PDF
  • Import Visio files & symbols
  • Import photos
  • Line hops
  • Ability to add layers
  • Real-time collaboration
  • Ability to add comments
  • Version history
  • Works with the tools you use
  • Export as PDF, PNG, or SVG
  • Works with 3rd party storage providers

Plumbing Drawing Examples

SmartDraw comes with built-in plumbing drawing examples as well as electrical plans and other engineering drawings you can d=edit to help you get started.

Create Your First Plumbing Drawing in 5 Easy Steps

Step 1

Start a New Plumbing Drawing

Start with a plumbing drawing template that you can find in the Engineering category under New Document on your Dashboard. You can also open one of the existing plumbing examples in this category.

Step 2

Import an Existing Plan

Click Insert and choose PDF to bring in an existing plan as your foundation. You'll be able to scale it and layer your new design on top.

Step 3

Set the Scale

Use Units & Scale under Document Setup to define the scale you want to use. You can set and change this scale at any time. SmartDraw has a set of built-in standard engineering, architectural, and metric scales, and you can even set your own custom scale as needed.

Step 4

Add Pipes & Fixtures

Draw your pipes and drag plumbing symbols from the left SmartPanel onto your drawing area.

Step 5

Export & Share

Export your drawing as a PDF or PNG. Or you can share your plumbing drawing using a link with clients, contractors, and engineers online.

Why SmartDraw is the Best Plumbing Drawing App

SmartDraw makes plumbing design easier than traditional CAD tools. You get easy drag-and-drop plumbing symbols, the ability to import and edit existing PDF plans, real-time collaboration, and no training required. Get CAD power, without CAD complexity.

Floor plan style plumbing drawing

Who Uses SmartDraw for Plumbing Design?

  • Plumbing contractors
  • Mechanical engineers
  • Architects
  • Facility maintenance teams
  • General contractors
  • Home builders

Whether you're creating plumbing schematic layouts or permit plans, SmartDraw gives you expert confidence and professional results.

Simple plumbing drawing example

Frequently Asked Questions (FAQ) About Plumbing Design

Can I import existing drawings?

Yes. SmartDraw lets you import PDF files or images so you can update or trace over existing floor plans to create new plumbing layouts.

Does SmartDraw include plumbing symbols?

SmartDraw has extensive plumbing libraries with easy to use with drag-and-drop functionality.

Can I export my plumbing design?

Yes. Export as PDF, PNG, JPG, or share via web link.

SmartDraw is Used by Over 85% of the Fortune 500

3M logo
Amazon logo
AT&T logo
Cisco logo
Honeywell logo
Intel logo
Johnson and Johnson logo
Mariott logo
Abbott Labs logo
Motorola logo
Northrop Grumman logo
Oracle logo
Pfizer logo
Thermo Fisher Scientific logo
Verizon logo
Wells Fargo logo
3M logo
Amazon logo
AT&T logo
Cisco logo
Honeywell logo
Intel logo
Johnson and Johnson logo
Mariott logo
Abbott Labs logo
Motorola logo
Northrop Grumman logo
Oracle logo
Pfizer logo
Thermo Fisher Scientific logo
Verizon logo
Wells Fargo logo

Try SmartDraw's Plumbing Drawing Software Free

Discover why SmartDraw is the best plumbing design software.